contact us
products
- Main Products
technical articles
Fun ptoduct
- BS 1363 Figure 2 Apparatus for Mechanical Strength Test on Resilient Covers
- Item LX-3602
BS 1363 Figure 2 Apparatus for Mechanical Strength Test on Resilient Covers
1. Application:
This plug and socket test gauge is mainly used to test and inspect whether the structure and size of plugs and sockets conform to BS 1363 standards. And the mainly application industries is electronics, electrical appliances, plugs and sockets and other similar areas.
2. Features:
Gauge dimensions, tolerances, material, hardness, surface roughness conform to the standards requirements;
Material hardness is more than 50HRC; Material thermal expansion coefficient is small,dimensions and tolerances is stable and reliable.
Figure 2a) — Apparatus for mechanical strength test on resilient covers
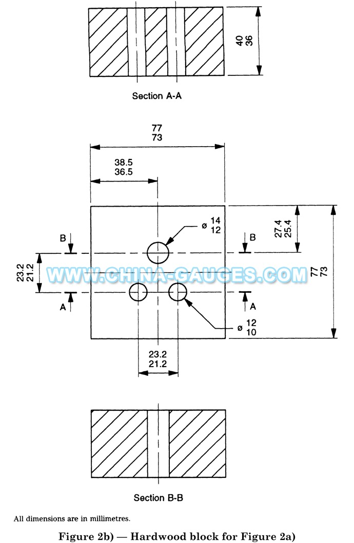
Figure 2b) — Hardwood block for Figure 2a)
NOTE This drawing is not intended to govern design except as regards the dimensions and specific values shown.
All dimensions are in millimetres.
Company introduction
HK LEE HING INDUSTRY CO., LIMITED are specialized in manufacturing special, custom built, test and measuring equipment for products testing as per international norms and offering calibration services and related information. Our products and services are used by research & development establishments, test laboratories, defense establishments, government institutions & manufacturing industries to fulfill the clients' requirements.
Main Products: Go Not Go Gauges, IP Tester, Test Probe Kit, Impact Test Equipment, Test Probes, Spring Hammer, IEC 61032 Test Finger, Plugs and Socket Outlet Gauge, AC Hipot Tester, IEC Test Probe, UL Test Probe, Material Flammability Tester, IP Code Tester, Impact Test Apparatus, Security Testing Machine, Lamp Cap Gauge Tester, Lampholders Gauge Tester, Plug & Socket Tester, Electrical Safety Tester, LED Test Instruments, Environmental Test Equipment, Instrument Accessories, Weighing Sensor and More.
If you require equipment to test products such as home appliances, electrical accessories like switches, sockets, connectors, etc. industrial & road lighting luminaires, automobile lighting systems or related categories, we can provide the solutions you need.
We would appreciate your comments on the layout design, presentation or other aspects of our website.
Website: http://www.iec61010.com
Contact information
Contacts: Eason Wang
E-mail: info@iec-equipment.com
TEL: +86-755-33168386
FAX: +86-755-61605199
Phone: +86-15919975191
SKYPE: carlisle.wyk
Address: 1F Junfeng Building, Gongle, Xixiang, Baoan District, Shenzhen, Guangdong, China
ZIP: 518102
Website: http://www.iec61032.com/













